三晶8000B-4T400G增强型变频器用户手册:[3]

 时间:2024-10-31 03:44:25

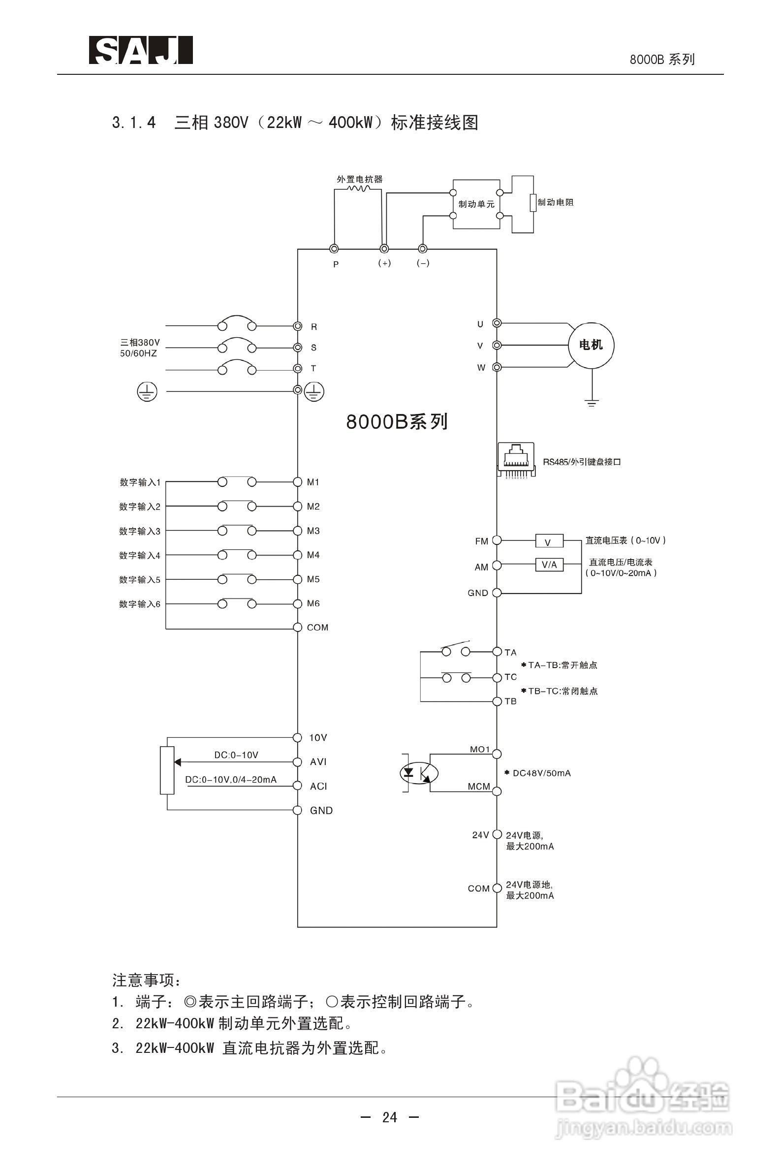
本篇为《三晶8000幞洼踉残B-4T400G增强型变频器用户手册》,主要介绍该产品的使用方法以及常见故障解决方案。

三晶8000B-4T400G增强型变频器用户手册:[3]

三晶8000B-4T400G增强型变频器用户手册:[3]

三晶8000B-4T400G增强型变频器用户手册:[3]

三晶8000B-4T400G增强型变频器用户手册:[3]

三晶8000B-4T400G增强型变频器用户手册:[3]

三晶8000B-4T400G增强型变频器用户手册:[3]

三晶8000B-4T400G增强型变频器用户手册:[3]

三晶8000B-4T400G增强型变频器用户手册:[3]

三晶8000B-4T400G增强型变频器用户手册:[3]

三晶8000B-4T400G增强型变频器用户手册:[3]

  • 三晶8000B-4T400G增强型变频器用户手册:[4]
  • 海浦蒙特HD30-4T400G/450P矢量控制变频器用户手册:[3]
  • 海浦蒙特HD30-4T400G/450P矢量控制变频器用户手册:[4]
  • 海浦蒙特HD30-4T400G/450P矢量控制变频器用户手册:[2]
  • 热门搜索
    日立什么字 汐是什么意思 6月12日是什么星座 善哉是什么意思 0是什么数 预收账款属于什么科目 日本豆腐是什么材料 什么是方程 93年属什么 语不惊人死不休属于什么体裁