FM12832D液晶显示模块使用手册:[1]

 时间:2024-10-13 04:13:18

本篇为《FM12832D液晶显示模块使用手册》,主要介绍该产品的使用方法以及常见故障解决方案。

FM12832D液晶显示模块使用手册:[1]

FM12832D液晶显示模块使用手册:[1]

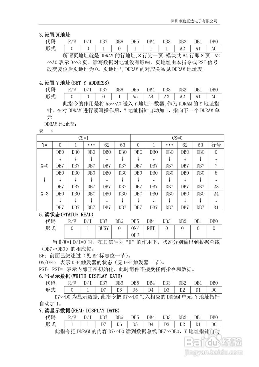
FM12832D液晶显示模块使用手册:[1]

FM12832D液晶显示模块使用手册:[1]

FM12832D液晶显示模块使用手册:[1]

FM12832D液晶显示模块使用手册:[1]

FM12832D液晶显示模块使用手册:[1]

FM12832D液晶显示模块使用手册:[1]

FM12832D液晶显示模块使用手册:[1]

FM12832D液晶显示模块使用手册:[1]

  • 解决apollo遇到的问题OpenDRIVE和障碍检测
  • 如何设置MusicBee当缺少标签不能整理显示警告
  • 360wixXP升级win7及激活方法
  • windows下怎么安装laravel框架
  • 最健康的美容面膜是什么有哪些
  • 热门搜索
    眼皮松弛怎么办 双下巴怎么瘦 苏州科技大学怎么样 孩子上课注意力不集中怎么办 汗毛多怎么去除 airdrop怎么用 怎么查手机话费 志高空调怎么样 步阳防盗门怎么样 简单的花怎么画