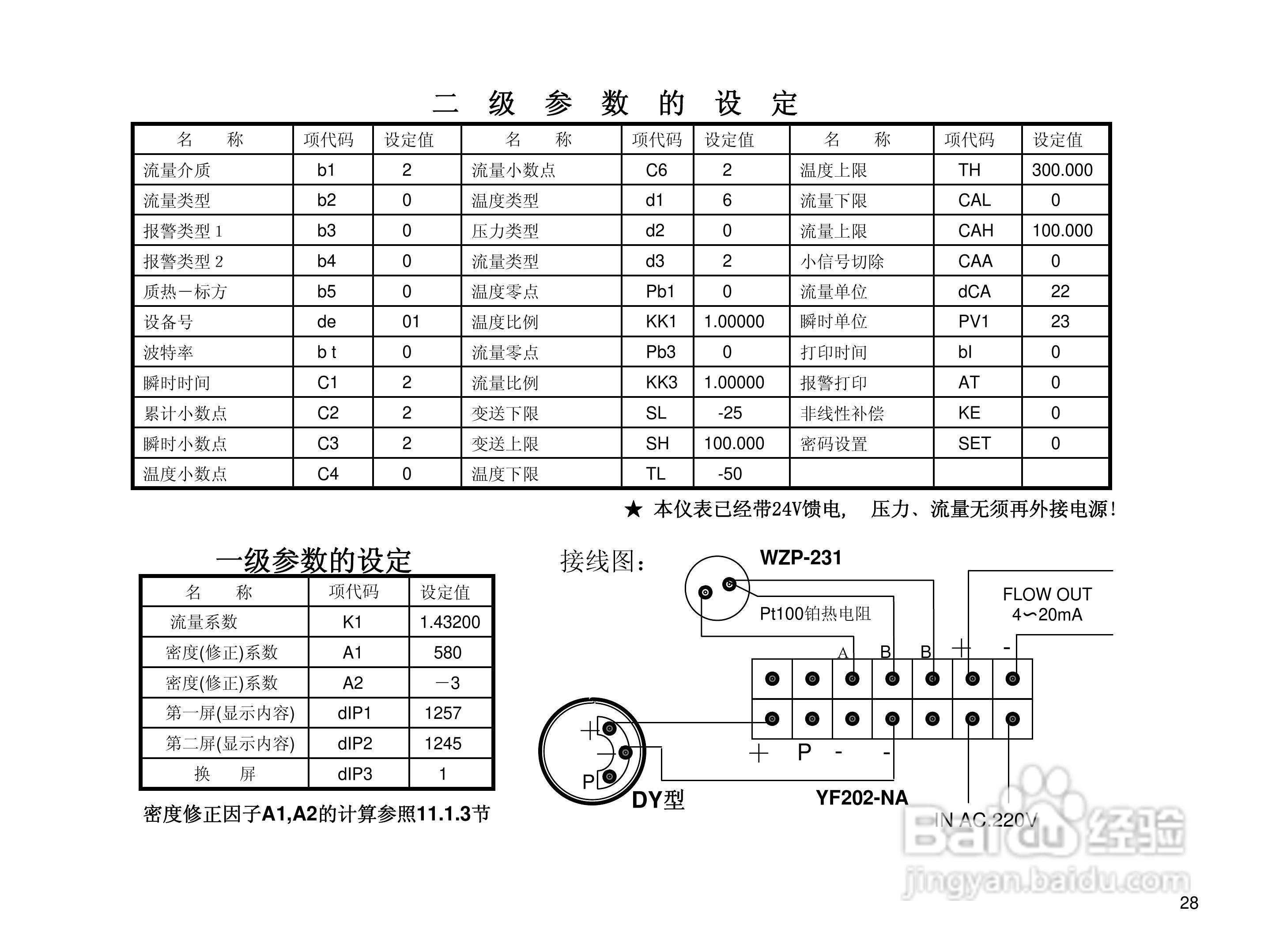
YF202流量积算仪使用说明书:[3]

 时间:2024-10-21 02:21:06

本篇为《YF202流量积算仪使用说明书》,主要介绍该产品的使用方法以及常见故障解决方案。

YF202流量积算仪使用说明书:[3]

YF202流量积算仪使用说明书:[3]

YF202流量积算仪使用说明书:[3]

YF202流量积算仪使用说明书:[3]

YF202流量积算仪使用说明书:[3]

YF202流量积算仪使用说明书:[3]

YF202流量积算仪使用说明书:[3]

YF202流量积算仪使用说明书:[3]

YF202流量积算仪使用说明书:[3]

YF202流量积算仪使用说明书:[3]

  • ZYW202-QF流量积算记录仪操作手册:[3]
  • ZYW202-QF流量积算记录仪操作手册:[2]
  • VPR202-QF流量积算仪用户手册:[9]
  • VPR202-QF流量积算仪用户手册:[8]
  • ZYW202-QF流量积算记录仪操作手册:[6]
  • 热门搜索
    相貌堂堂的意思是什么 双重否定句是什么意思 冥婚什么意思 手机刷机有什么用 家喻户晓是什么意思 i miss you是什么意思 屏幕总成是什么意思 莫名其妙是什么意思 移动什么套餐最划算 马超的妻子姓什么