智德知识库
网站首页
美食营养
游戏数码
知识问答
生活家居
健康养生
运动户外
职场理财
情感交际
母婴教育
生活知识
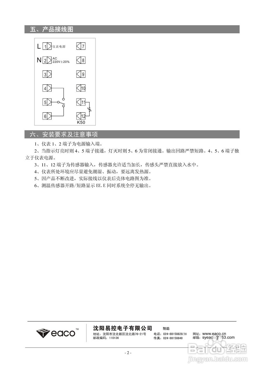
意控K50智能温控仪使用说明书
时间:2024-10-12 11:28:13
哪个电脑安卓模拟器可以登录淘宝支付宝咸鱼
百色健康码怎么申请
小米手机助手不支持6.0怎么办
爱奇艺极速版怎么查看已下载的缓存视频并删除
风云辅助工具使用攻略(风云电脑版)
热门搜索
竹炭的作用
什么是想象力
什么发型显脸小
rectangle什么意思
毒龙是什么意思
百岁山广告什么意思
hb是什么意思
圆脸适合什么样的发型
覃读什么
eliauk是什么意思
Copyright © 2026
智德知识库
All Rights Reserved 信息来自网络,所有数据仅供参考,有任何疑问请联系站长